• Express Lieferung
  • Qualität made in Germany
  • preiswertes Sortiment
  • 03493 3498362
  • d.hampel.74@web.de
  1. Startseite
  2. Sicherheitstechnik
  3. Schließbleche
  4. Schließblech IKON 9M77
Art-Nr.IKON 9M77
MarkeIKON

Schließblech IKON 9M77

IKON
Lieferzeit: ca. 8 - 14 Arbeitstage **

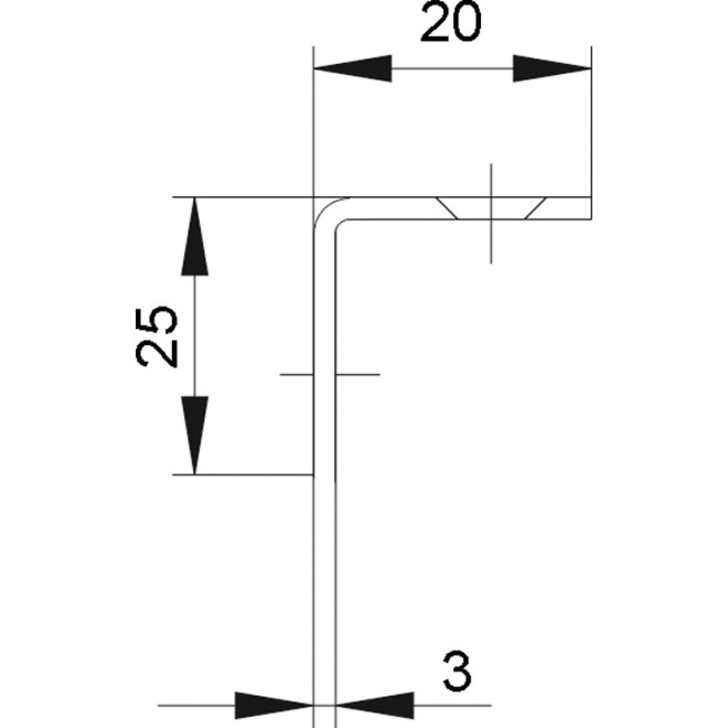
9M77 Winkel-Sicherheitsschließblech ohne Verankerung für überfälzte Türen Winkelkante abgerundet

9M77 Winkel-Sicherheitsschließblech ohne Verankerung für überfälzte Türen Winkelkante abgerundet   Produktbeschreibung:

  • Für überfälzte Türen geeignet
  • Gesamtlänge Schließblech 300mm
  • Abmessung Riegelseite = 20mm
  • Abmessung Schließblechstärke = 3mm
  • In der Abmessung 300x20x25mm erhältlich
  • Weitere Oberflächen limba (OF=LIMBA), weiss (OF=WEISS), braun (OF=BRAUN)
  • Mit fünf Anschraublochungen
  • Material: Stahl

  Lieferumfang:

  • 1 Sicherheitsschließblech mit Befestigungsschrauben
...